Справочные данные по деталям машин

 

Главная

 

Концевые шайбы, торцевое крепление

 

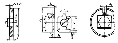
49. Концевые шайбы (по ГОСТ 14734-69) 

      Шайбы

   Рекомендуемые концы валов и крепление шайб

   Пример применения

         Исполнение 1

     Исполнение 2

   Исполнение 1

Исполнение 2

http://spravconstr.ru/html/v1/pages/chapter6/images/ckm673.gif


Размеры, мм

Обозначение 
шайб

Исполнение

D

H

A=0,2

d

d1

d2

c

Масса, 
кг

D0

d3

d4
K7

l

l1

Исполнение 1

Исполнение 2

Штифт по
ГОСТ 3128-70

Винт по ГОСТ
17475-80

Болт по ГОСТ
7798-70

7019-0621 

1

28

4

7,5

5,5

10,3

3,5

0,6

0,018

20-24

М5

3

16

10

М5 х 12.56.05

-

3 х 10

7019-0622
 -0623

1
2

32

 

 

 

 

 

5

9,0

 

 

 

 

 

6,6

12,3
-

 

 

 

 

 

4,5

 

 

 

 

1,0

0,029
0,030

24-28

 

 

 

 

 

М6

 

 

 

 

 

4

 

 

 

 

 

18

 

 

 

 

 

12

 

 

 

 

 

М6 х 16.56.05

 

 

 

 

 

М6 х 16.56.05

 

 

 

 

 

4 х 12

7019-0622 
-0623

1
2

36

 

10,0

12,3
-

0,037
0,038

28-32

7019-0624 
-0625

1
2

40

12,3
-

0,046
0,047

32-36

7019-0626 
-0627

1
2

45

12,0

12,3
-

0,059
0,060

36-40

7019-0628 
-0629

1
2

50

16,6

12,3
-

0,074
0,075

40-45

7019-0632
-0633

1
2

56

16,0

12,3
-

0,6

0,094
0,095

45-50

7019-0634
-0635

1
2

63

 

 

 

 

 

6

 

 

20

 

 

 

 

 

9

16,5
-

 

 

 

 

 

5,5

 

 

 

 

 

1,6

0,141
0,143

50-55

 

 

 

 

 

М8

 

 

 

 

 

5

 

 

 

 

 

22

 

 

 

 

 

16

 

 

 

 

 

М8 х 20.56.05

 

 

 

 

 

М8 х 20.56.05

 

 

 

 

 

5 х 16

7019-0636
-0637

1
2

67

16,5
-

0,160
0,162

55-60

7019-0638
-0639

1
2

71

16,5
-

0,180
0,182

60-65

7019-0640
-0641

1
2

75

25

16,5
-

0,202
0,204

65-70

7019-0642
-0643

1
2

85

28

16,5
-

0,261
0,263

70-75

7019-0644
-0645

1
2

90

16,5
-

0,294
0,296

75-80

Материал - сталь 45 по ГОСТ 1050-88. Допускается применять стали других марок с механическими свойствами не ниже, чем у стали 45.

Покрытие - Хим. Окс. прм по ГОСТ 9.306-85. Допускается по соглашению между изготовителем и потребителем применять другие виды покрытий.

 

Пример обозначения концевой шайбы исполнения 1, диаметром D = 28 мм:

Шайба 7019-0621 ГОСТ 14734-69

 

50. Концевые шайбы с двумя болтами для торцового крепления деталей
http://spravconstr.ru/html/v1/pages/chapter6/images/ckm674.gif

Размеры, мм

d

D

h

d1

е

с, не более

Болт

От 35 до 40

50

 

6

 

9

20

 

4

 

М8 х 20

Св. 40 » 45

55

20

» 45 » 50

60

25

Св. 50 до 60

70

8

 

14

30

 

 

 

5

 

М12 х 30

» 60 » 70

80

8

36

» 70 » 80

90

10

40

» 80 » 90

110

10

45

Св. 90 до 100

120

 

12

 

18

50

 

М16 х 36

» 100 » 110

125

55

» 110 » 120

140

60

» 120 » 130

150

65

Материал - сталь 45.

 

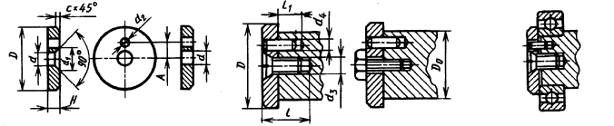
51. Торцовое крепление дисками на валах

 

Применяется для крепления на валах деталей привода (шестерен, звездочек, шкивов и др.) с помощью торцовых дисков и плоской шайбы.

 

Для вала диаметром 20 - 55 мм

           Диск                     Шайба               Пример применения

http://spravconstr.ru/html/v1/pages/chapter6/images/ckm675.gif

Размеры, мм

Диаметр

вала

D

S

d1

d2

l

c

B

L

S1

L1

A

R=S2

b

h

L1

Масса, кг

диска

шайбы

20

30

4

7

3

7

1

14

15

10

6,5

9

1

2,5

3

25

0,020

0,002

25

36

4

9

4

9

1

18

19

11

8,5

11

1

3,5

3

30

0,034

0,003

30

40

4

11

5

11

1

23

24

12

10,5

14

1

4,5

3

36

0,045

0,004

36

45

4

11

5

11

1

23

24

12

10,5

14

1

4,5

3

36

0,065

0,004

40

50

6

13

5

15

1,6

25

30

13

14,5

17

1

4,5

5

44

0,087

0,008

45

55

6

13

5

15

1,6

25

30

13

14,5

17

1

4,5

5

44

0,10

0,008

50

60

6

13

5

15

1,6

25

30

13

14,5

17

1

4,5

5

44

0,13

0,008

55

65

6

17

6

20

1,6

30

40

14

19,5

21

1,2

5,5

8

55

0,14

0,012

 

Для вала диаметром 60 - 100 мм

           Диск                        Шайба               Пример применения

http://spravconstr.ru/html/v1/pages/chapter6/images/ckm676.gif

 Размеры, мм

Диаметр вала

D

S

d1

L

B

l

l1

Масса, кг

диска

шайбы

60

70

 

5

 

11

 

60

 

20

 

14

 

32

0,14

0,013

65

75

0,17

0,013

70

80

0,18

0,013

75

85

5

 

 

13

 

 

85

 

 

24

 

 

17

 

 

50

0,21

0,019

80

90

0,24

0,019

85

100

 

8

0,48

0,019

90

105

0,53

0,019

95

110

0,59

0,019

100

115

0,64

0,019

Материал - сталь Ст3кп.

 


email: KarimovI@rambler.ru

Адрес: Россия, 450071, г.Уфа, почтовый ящик 21

 

Теоретическая механика   Сопротивление материалов

Прикладная механика  Строительная механика  Теория машин и механизмов

 

 

 

00:00:00

 

Top.Mail.Ru