Метрические червячные передачи
Червячные передачи предназначены для передачи движения между валами с
осями, скрещивающимися под углом 90°. Ведущим звеном обычно является червяк.
Червячные передачи по сравнению с зубчатыми имеют
следующие преимущества: повышенная плавность работы, бесшумность, большие
передаточные числа (10…80), самоторможение. Основные недостатки червячных
передач: относительно низкий КПД, большие потери на трение, необходимость
применения дорогостоящих бронз для червячных колес. Существует
два типа червячных передач: цилиндрическая, у которой делительная поверхность
червяка – круговой цилиндр, и глобоидная, у которой делительная поверхность
червяка – часть вогнутой поверхности тора.
Цилиндрические червяки разделяются на три вида:
1. Архимедов червяк. Профиль витка в торцовой плоскости имеет вид
архимедовой спирали.
2. Эвольвентный червяк. Профиль витка в
торцовой плоскости имеет вид эвольвенты окружности.
3. Конволютный червяк. Профиль витка в торцовой
плоскости имеет вид удлиненной или укороченной эвольвенты.
В
машиностроении широко распространены архимедовы и эвольвентные червяки. Для точных несиловых
передач применяются архимедовы червяки; для силовых
передач предпочтительны эвольвентные червяки.

Рекомендуемые
сочетания модулей m
и коэффициентов диаметра червяка q
|
m |
q |
m |
q |
|
1 |
16; 20 |
5 |
8; 10; 12.5; 16; 20 |
|
1.25 |
12.5; 16; 20 |
6.3 |
8; 10; 16; 20 |
|
1.6 |
10; 12.5; 16; 20 |
8 |
8; 10; 12.5; 16; 20 |
|
2 |
8; 12.5; 16; 20 |
10 |
8; 10; 12.5; 16; 20 |
|
2.5 |
8; 10; 12.5; 16; 20 |
12.5 |
8; 10; 12.5; 16; 20 |
|
3.15 |
8; 10; 12.5; 16; 20 |
16 |
8; 10; 12.5; 16 |
|
4 |
8; 10; 12.5; 16; 20 |
20 |
8; 10 |
|
Примечание. В таблице приведены
значения m и q, применимые для червяков
с числом витков – 1; 2; 4 |
|||
Расчет
основных геометрических параметров червячных передач с цилиндрическим червяком
(коэффициент смещения х=0)
|
Параметр |
Обозначение |
Формула |
|
Исходные данные |
||
|
Модуль |
M |
Определяются прочностными и кинематическими расчетами |
|
Коэффициент диаметра червяка |
q |
|
|
Число витков червяка |
z1 |
|
|
Передаточное число |
u |
|
|
Тип червяка |
|
Выбирается по конструктивным соображениям |
|
Исходный червяк: ·
угол профиля ·
коэффициенты: - радиального зазора |
α n c* |
α n=200 c*1= c*2=0.2 |
|
- высоты головки витка |
h*a |
h*a=1.0 |
|
- высоты ножки витка |
h*t |
h*t=1.2 |
|
- глубины захода |
h*w |
h*w=2.0 |
|
- высоты витка |
h* |
h*=2.2 |
|
- граничной высоты витка |
h*l |
h*l >2.0 |
|
- расчетной толщины витка |
s* |
s*=0.5π |
|
Расчет параметров |
||
|
Число зубьев червячного колеса |
z2 |
z2=u z1 |
|
Делительный диаметр: червяка колеса |
d1 d2 |
d1=mq d2= z2m |
|
Высота витка червяка |
h1 |
h1=2.2m |
|
Высота головки витка червяка |
h a1 |
h a1=m |
|
Диаметр вершин: червяка колеса |
d a1 d a2 |
d a1=d1+2m d a2=d2+2m |
|
Диаметр впадин: червяка колеса |
d f1 d f2 |
d f1=d1 -2.4m d f2=d2 -2.4m |
|
Наибольший диаметр червячного
колеса |
d aM2 |
d aM2 <da2+6m(z1+2) |
|
Длина нарезной части червяка: при z1=1; 2 при z1=4 |
b1 |
b1 >(11+0.06z2)m b1 >(12.5+0.09z2)m |
|
Ширина венца червячного колеса: при z1=1; 2 при z1=4 |
b2 |
b2 <0.75da1 b2 <0.67da1 |
|
Межосевое расстояние |
a w |
a w=a=0.5m(z2+q) |
|
Радиус выемки поверхности
червячного колеса: делительной вершин впадин |
R2 R a2 R f2 |
R2=0.5d1 R a2=0.5d1 -m R f2=0.5d1+1.2m |
|
Радиус кривизны переходной
кривой червяка |
ρ f1 |
ρ f1=0.3m |
|
Радиус кривизны линии
притупления червяка |
ρ k1 |
ρ k1=0.1m |
|
Радиальный зазор |
c |
c=0.2m |
|
Условный угол обхвата червяка |
δ |
sinδ=b2/(d a1 -0.5m) |
|
Делительный угол подъема витка |
γ |
tgγ=z1/q |
|
Расчетный шаг червяка |
p |
p=πm |
|
Ход витка |
p z1 |
p z1=pz1 |
|
Делительная толщина по хорде
витка червяка |
s a1 |
s a1=0.5πmcosγ |
|
Высота до хорды витка |
h a1 |
h a1=m+0.5 s a1tg(0.5arcsin(s
a1sin2γ/d1)) |
|
Примечание. Для шлифуемых и фрезеруемых червяков выбранную длину нарезной части необходимо увеличить на 25 мм при m<10, на 35…40 мм при m=10…15, и на 50 мм при m>15. |
||
В
расчетных формулах червякам присвоен индекс – 1; червячным колесам – индекс 2.
При выборе коэффициента q
можно пользоваться ориентировочным соотношением
q=0.25z2
Количество
зубьев червячного колеса выбирают в зависимости от передаточного отношения и
количество заходов червяка. В силовых передачах надо подбирать такое количество
заходов червяка, чтобы количество зубьев колеса z2 = 30…70. При сравнительно
небольших мощностях рекомендуется z2 = 30…50. При сравнительно больших мощностях надо
стремиться повысить КПД передачи, увеличивая z2 до 60…70. Применять z2 > 80 не рекомендуется,
так как в этом случае решающей становится прочность зуба на изгиб. Брать z2 < 28 не
следует во избежание подреза зубьев. При z2 > 2 желательно, чтобы значение z2 не было кратным z1.
Передачи с однозаходным червяком вызывают большие потери на трение.
Червяки с z1
= 1 применяют при кратковременных периодах работы и в кинематических
(отсчетных) передачах, так как однозаходные червяки точнее многозаходных. Направление
витков обычно назначают правое. Угол обхвата 28 может быть принят для силовых
передач 2δ = 90…120°; для неотсчетных передач 2δ
= 60…90°; для несиловых отсчетных передач 2δ =
45…60°.
Червяк
выполняют заодно с валом, если d1/p=1.5...2.5; червяк выполняют насадным, если dl/p > 2.5. Диаметр вала при изготовлении червяка заодно с валом
определяется из соотношения dB < 0.9dfl.
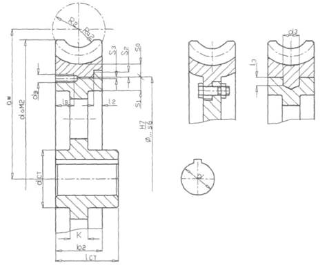
Параметры
конструктивных элементов червячных колес

|
Параметр |
Обозначение |
Ориентировочные соотношения |
|
Толщина обода венца |
so |
so=(3.5…3.0)m при 1 <m <2.5 so=(2.8…2.4)m при
3.15
<m <5 so=2.1m при m >6 |
|
Толщина обода диска |
s1 |
s1=(1.2…1.3) so |
|
Толщина обода колеса |
K |
K=(1.2…1.3) s1 |
|
Диаметр посадочного отверстия в
ступице |
d |
Определяется расчетом |
|
Длина ступицы диска |
lc |
lc=(1.0…1.5)d, но не менее b2 |
|
Наружный диаметр ступицы |
dc |
dc=(1.5…1.7)d |
|
Размеры соединительных винтов |
dB lB |
dB=(1.2…1.5)m lB=(2…3)dB |
|
Размеры упорного буртика |
l2 s2 |
l2=(0.15…0.2)b2 s2=0.1b2 |
|
Смещения центра отверстия под винты в сторону более твердой детали |
s3 |
s3=0.2dB |
|
Размеры технологических
углублений в диске |
d3 l3 |
d3=(0.4…0.5)b2 l3=(0.3…0.4)d3 |
|
Примечание. Размеры остальных конструктивных элементов червячных колес следует принимать такими
же, как для цилиндрических зубчатых колес |
||
email: KarimovI@rambler.ru
Адрес: Россия, 450071, г.Уфа, почтовый ящик 21
Теоретическая механика Сопротивление материалов
Прикладная механика Строительная механика Теория машин и механизмов