Лабораторная
работа
Изучение
конструкции валов
1. Цель работы
- Познакомиться с основными типами валов.
- Освоить навыки выполнения эскиза вала с образца,
познакомиться с правила ми выполнения рабочих чертежей валов в соответствии с
нормативами и требованиями ЕСКД.
- Освоить навыки пользования нормативными таблицами
для определения размеров основных конструктивных элементов вала.
- Познакомиться с системой допусков и посадок,
шероховатостью поверхностей, обозначением их на чертеже.
2.
Теоретические положения
2.1. Общие сведения
На валах и осях размещают вращающиеся детали: зубчатые
колеса, шкивы, барабаны и т.п.
Вал – деталь, предназначенная для поддержания
вращающихся вместе с ним деталей
(шкивов, зубчатых колес и т.п.) и для передачи вращающего момента.
При работе вал испытывает изгиб и кручение, а в
отдельных случаях растяжение и сжатие.
Ось – деталь, предназначенная только для поддержания
вращающихся вместе с ней деталей.
В отличие от вала ось не передает вращающего момента и
работает только на изгиб. В машинах оси могут быть неподвижными или же могут
вращаться с насаженными на них деталями (подвижные оси).
2.2. Классификация валов и осей
Оси представляют собой прямые стержни, а валы различают прямые (рисунок 1, а);
коленчатые (рисунок 1, б); кривошипные (рисунок 1, в)
и гибкие (рисунок 1, г).
Кривошипные и коленчатые валы используют для
преобразования возвратно-поступательного движения во вращательное (поршневые
двигатели) или наоборот (компрессоры). Гибкие валы передают вращение между
узлами машин, меняющими свое положение в работе (зубоврачебные машины).
По конструктивным признакам валы и оси делят на
гладкие (рисунок 2) и ступенчатые (рисунок 1,
а).

Рис.1. Валы
Наиболее распространены ступенчатые валы, т.к. их
форма удобна для установки на них деталей, а также монтажа деталей при посадках
с натягом.
По типу сечения валы и оси бывают: сплошные (рисунок
2,а) и полые (рисунок 2,б). Полыми валы изготовляют для
уменьшения веса или когда через валы пропускают другую деталь, подводят масло и
пр.
а)
б)
Рис.2. Типы сечения валов
Выходные концы валов выполняют коническими или
цилиндрическими (рисунок 1,а).
Преимущественное распространение приобретает коническая
форма концевого участка вала, обеспечивающая точное и надежное соединение,
возможность легкого монтажа и снятия устанавливаемых деталей.
2.3. Конструктивные элементы валов
Конструкция валов определяется деталями, которые на
них размещаются и расположением опор.
При конструировании валов и осей принимают во внимание
технологию сборки и разборки, механическую обработку, расход материала и пр.
В конструкции ступенчатого вала условно выделяют
следующие элементы: концевые участки; участки перехода от одной ступени к другой; места посадки подшипников,
уплотнений и деталей, передающих момент вращения. Каждый элемент имеет свое
название (рисунок 3).
Цапфа (Ц) – участок
вала (оси), которым он опирается на подшипник.
Шипом называется цапфа, расположенная на конце вала (оси) и
предназначенная для восприятия, в основном, радиальной нагрузки.
Пятой называется цапфа, расположенная на конце вала (оси) и
предназначенная для восприятия, в основном, осевой нагрузки.
Шейкой называется промежуточная цапфа, расположенная в средней
части вала (оси).
Заплечик (З) – переходная
торцевая поверхность от одного сечения вала (оси) к другому, предназначенная
для упора деталей, установленных на валу или оси.

Рис.3. Элементы валов
Буртик (Б) – кольцевые
утолщения вала (оси), составляющее одно целое с валом (осью).
Канавка (К) – углубление
на поверхности меньшего диаметра между соседними ступенями валов: предназначена
для плотного прилегания насаживаемой детали к заплечику (буртику), выхода
шлифовального круга, при обработке поверхности меньшего диаметра, выхода
резьбонарезного инструмента. Эти канавки повышают концентрацию напряжений.
Галтель (Г) – криволинейная поверхность плавного перехода от
меньшего сечения вала (оси), к плоской части заплечика или буртика.
Фаска (Ф) – скошенная
часть боковой поверхности вала (оси) у торца вала (оси), заплечика, буртика.
Служит для облегчения сборки и предотвращения травмирования рук.
Радиусы закруглений галтелей, размеры фасок принимают
по ГОСТ 12080-66 в зависимости от диаметра вала.
Шпоночный паз (Ш) – углубление в валах для
установки шпонок. Выполняют на участках крепления деталей, передающих вращающий
момент.
Размеры шпоночных пазов принимают по ГОСТ 23360-78.
Благодаря массовому применению валов и осей в
механизмах, для них выработаны нормативы на выполнение различных конструктивных
элементов.
2.4. Материалы валов и осей
Материалы должны быть прочными, хорошо механически
обрабатываться. Валы и оси изготовляют преимущественно из углеродистых и
легированных сталей. Для валов и осей без термообработки применяют: стали 35, 40, 45,
Ст. 3, Ст. 4, Ст. 5. Оси и валы, к которым предъявляют повышенные
требования, выполняют из среднеуглеродистых или легированных сталей 45,
40Х и других.
Тяжелонагруженные валы сложной формы изготовляют из
модифицированного или высокопрочного чугуна.
2.5. Размеры, предельные отклонения, допуски
и посадки
Геометрические параметры валов количественно оцениваются
размерами.
Размер – числовое значение линейной величины (диаметра, длины и
т.д.) в выбранных единицах измерения. На чертежах деталей проставляют
номинальные размеры в миллиметрах.
Номинальным
размером называют размер изделия,
полученный по расчету или выбранный по конструктивным соображениям.
Изготовленные изделия всегда имеют некоторые отклонения от номинальных
размеров.
Действительные
размеры получают путем измерения
готовой детали. Точность детали по геометрическим параметрам задается через
точность геометрических размеров – в виде отклонений.
Верхнее
предельное отклонение –
алгебраическая разность между наибольшим допустимым предельным и номинальным
размерами.
Нижнее
предельное отклонение –
алгебраическая разность между наименьшим допустимым предельным и номинальным
размерами.
Допуск – разность между наибольшим и наименьшим предельными
размерами.
Поле допуска – зона ограниченная верхним и нижним отклонениями,
определяется числовым значением допуска.
К различным соединениям предъявляют неодинаковые требования
в отношении точности изготовления. Поэтому система допуска содержит 19
квалитетов: 01; 0, 1, 2, 3,… 17, расположенных в порядке убывания точности.
Квалитет – совокупность допусков с одинаковой относительной
точностью для всех номинальных размеров диапазона. Допуски в квалитетах 01… 4
предназначены для измерительных инструментов, квалитеты 5… 13
дают допуски для сопрягаемых размеров деталей, квалитеты 14… 17
для несопрягаемых размеров.
На посадочные места вала, т.е. на поверхности вала сопряженные
с другими деталями (подшипниками, муфтами, зубчатыми колесами и др.), задают
поля допусков в соответствии с посадками, показанными на сборочных
чертежах (рисунок 4).
Характер соединения деталей называют посадкой.
Характеризует посадку разность размеров деталей вала и отверстия до сборки.
Посадки могут быть с зазором, с натягом и переходные –
когда возможно получение, как зазора, так и натяга.
Зазор – разность размеров отверстия и вала, если размер
отверстия больше размера вала.
Натяг – разность размеров вала и отверстия до сборки, если
размер вала больше размера отверстия.
Разнообразные посадки удобно получать, изменяя
положение поля допуска или вала, или отверстия, оставляя для всех посадок поле
допуска одной из деталей неизменным. Деталь, у которой поле допуска остается
без изменения и не зависит от вида посадки, называют основной деталью системы.
Если этой деталью является отверстие, то соединение выполнено в системе
отверстия, если основной деталью является вал – в системе вала.

Рис.4. Вал в сборе
Основные отклонения обозначают буквами латинского
алфавита: для отверстия прописными А, В,
С и т.д.; для валов – строчными а, b, с и т.д.
Преимущественно назначают посадки в системе отверстия с отклонением Н.
Для посадок с зазором рекомендуют принимать валы с
отклонением – f, g, h; для переходных посадок – js ,k, m, n; для посадок с натягом – p, r, s.
Для соединения валов: с зубчатыми колесами рекомендуют
принимать отклонения – р6, r7; с муфтами – n7, r6, k6; со шкивами и звездочками – js6,
h7; с
внутренними кольцами подшипников качения – k6; с манжетами – h8.
Пример обозначения посадок:
– соединение
двух деталей с номинальным диаметром
.
2.6. Шероховатость поверхности
Точность деталей по геометрическим параметрам
характеризуется не только отклонениями размеров, но и отклонениями
поверхностей. Действительные поверхности отличаются от номинальных наличием
неровностей с малыми шагами, образующимися при обработке деталей. Шероховатость поверхности – совокупность
микронеровностей обработанной поверхности, образующих ее рельеф на определенном
участке. Требования к шероховатости поверхности должны быть обоснованными и
устанавливаться исходя из функционального назначения поверхности.
ГОСТ 2789-73 устанавливает следующие параметры
шероховатости поверхности:
Ra –
среднее арифметическое отклонение профиля, мкм
(основной из высотных параметров шероховатости; назначают на все обработанные
поверхности);
Rz –
высота неровностей профиля, мкм
(определяют по пяти измерениям высот неровностей; назначают на поверхности,
получаемые литьем, ковкой, чеканкой).
Числовое значение параметров шероховатости выбирают с
учетом назначения и эксплутационных свойств шероховатости. На чертежах
шероховатость обозначают следующим образом: если вид обработки не
устанавливают, то применят знак по рисунку 5,
а. Это обозначение является
предпочтительным. Если требуется, чтобы поверхность была образована обязательно
удалением слоя материала (точением, шлифованием, полированием и пр.), применяют
знак по рисунку 5,б. Без удаления
слоя материала (чеканка, накатывание валиками и пр.), применяют знак по рисунку
5, в.
Рис.5. Знаки для обозначения шероховатости

Рис.6. Обозначение преобладающей шероховатости
Обозначение преобладающей шероховатости показывают в
правом верхнем углу поля чертежа (рисунок 6). Толщина линий и высота знака,
заключенного в скобки, такая же, как в изображении на чертеже, а перед скобкой
– в 1,5 раза больше.
Нанесение шероховатости на чертеже для различных
поверхностей вала представлено в примере оформления лабораторной работы
(приложение А).
3.
Описание объекта исследования, приборов и инструментов
Объектом исследования являются валы.
Для выполнения работы необходимо иметь следующие инструменты:
штангенциркуль, линейку, карандаш, циркуль.
4.
Методика выполнения исследований и обработка результатов
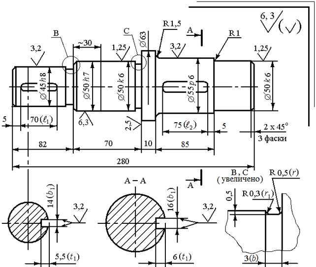
4.1. Выполнить эскиз полученного вала со всеми
необходимыми элементами (заплечиками, канавками, шпоночными пазами, галтелями и
т.д.). Выполнить необходимые разрезы и сечения (приложение А).
4.2. Определить назначение посадочных поверхностей
вала: под подшипники, зубчатое колесо, полумуфту, резиновые манжеты.
4.3. Проставить размерные линии, ориентируясь на пример
оформления лабораторной работы (приложение А).
4.4. Проставить действительные размеры, используя
замеренные данные (диаметры, длины участков валов) и данные, полученные из
таблиц В1… В4.
4.5. Заполнить таблицу параметров вала (приложение А).
– по таблице В1 для участков валов под подшипники
качения определить размеры заплечиков (d2).
– по таблице В2
определить размер фаски (c) и радиус галтели (r).
– по таблице В3
определить длину (l),
ширину (b) и глубину
(t1) шпоночных пазов.
– по таблице В4
определить размеры канавок (d1, r, r1, b) для выхода
шлифовального круга. Проставить эти значения на эскизе вала.
4.6. Указать предельные отклонения линейных размеров
поверхностей вала под подшипники, зубчатое колесо, полумуфту, резиновые манжеты
условными обозначениями полей допусков
(подраздел 2.5).
4.7. Проставить шероховатость поверхностей, пользуясь
таблицей В5.
5.
Содержание отчета
5.1. Титульный лист.
5.2. Эскиз вала.
5.3. Таблица параметров.
5.4. Выводы по лабораторной работе.
6.
Вопросы для самоконтроля
1. Дайте определение понятия «вал».
2. Дайте определение понятия «ось».
3. Объясните в чем разница между валом и осью.
4. Перечислите виды валов по геометрическим признакам.
5. Каково назначение кривошипных, коленчатых, гибких
валов? Приведите пример использования этих валов.
6. Перечислите виды валов по конструктивным признакам.
7. Чем вызвано наибольшее распространение ступенчатых
валов?
8. Перечислите виды валов по типу сечения.
9. Чем вызвана необходимость изготовления полых валов?
10. Чем определяется конструкция валов?
11. Дайте определение понятиям: цапфа, шип, пята,
шейка, заплечик, буртик, канавка, галтель, фаска, шпоночный паз.
12. Объясните в чем разница между заплечиком и
буртиком?
13. Объясните в чем разница между шипом, пятой и
шейкой?
14. Перечислите материалы для изготовления валов и
осей.
15. Дайте определение понятиям: размер, номинальный
размер, действительный размер.
16. Дайте определение понятиям: верхнее предельное
отклонение, нижнее предельное отклонение, допуск, поле допуска, квалитет.
17. Дайте определение понятиям: посадка, зазор, натяг.
18. Дайте определение понятиям: система вала, система
отверстия.
19. Как обозначают отклонения для отверстия, для
валов?
20. Приведите примеры обозначения посадок на чертежах.
21. Дайте определение понятия «шероховатость
поверхности».
22. На что влияет шероховатость поверхности?
23. Что обозначают параметры шероховатости
поверхности Ra и Rz?
24. От чего зависит числовое значение параметров
шероховатости?
25. Каким образом обозначают шероховатость поверхности
на чертежах?
26. Пользуясь таблицей В1, определите размеры
заплечиков d2 для диаметров валов: d
=
27. Пользуясь таблицей В2, определите размер фаски с и радиус галтели r для
диаметров валов: d
=
28. Пользуясь таблицей В3, определите размеры
шпоночного паза b, глубину t1 для
диаметров валов: d
=
29. Пользуясь таблицей В4, определите размеры канавки d1, r, r1, b: для
выхода шлифовального круга для диаметров валов: d =
Приложение
А (обязательное)
Пример оформления лабораторной работы

Таблица А1. Параметры вала
|
Элементы вала |
Обозначения |
Значения, мм |
|
|
Замеренные |
Номинальные |
||
|
Заплечики
под подшипники |
d 2 |
|
|
|
Выходной
конец вала: размер
фаски радиус
галтели |
c r |
|
|
|
Шпоночный
паз: ширина глубина
длина
|
b t1 l |
|
|
|
Канавка: галтель галтель ширина |
r r1 b |
|
|
Приложение
В (обязательное)
Таблица В1. Заплечики для установки подшипников
качения, мм
|
|
||||||
|
d |
D |
d 2,
не менее |
d 2,
не более |
D2,
не более |
D2,
не менее |
а, не менее |
|
15 |
35 |
19,0 |
- |
31 |
- |
|
|
17 |
40 |
21,0 |
21,5 |
36 |
- |
|
|
20 |
47 |
25,0 |
25,5 |
42 |
- |
|
|
25 |
52 |
30,0 |
30,5 |
47 |
- |
|
|
30 |
62 |
35,0 |
36,0 |
57 |
- |
2,0 |
|
35 |
72 |
42,0 |
- |
65 |
- |
|
|
40 |
80 |
46,5 |
47,5 |
73 |
- |
|
|
45 |
85 |
52,0 |
53,0 |
78 |
- |
|
|
50 |
90 |
57,0 |
- |
83 |
- |
3,0 |
|
55 |
100 |
63,0 |
- |
91 |
- |
|
|
60 |
110 |
68,0 |
- |
101 |
- |
|
Таблица В2. Цилиндрические концы валов (ГОСТ
12080-66), мм
|
|
|||||||
|
d |
l |
r |
c |
d |
l |
r |
c |
|
20 |
36 |
1,6 |
1,0 |
40 |
82 |
2,0 |
1,6 |
|
22 |
36 |
1,6 |
1,0 |
45 |
82 |
2,0 |
1,6 |
|
25 |
42 |
1.6 |
1,0 |
50 |
82 |
2,5 |
2,0 |
|
28 |
42 |
1,6 |
1,0 |
55 |
82 |
2,5 |
2,0 |
|
32 |
58 |
2,0 |
1,6 |
60 |
105 |
2,5 |
2,0 |
|
36 |
58 |
2,0 |
1,6 |
70 |
105 |
2,5 |
2,0 |
Таблица В3. Шпоночные соединения с призматическими
шпонками (ГОСТ 23360-78), мм
|
|
|||||
|
Диаметр вала, d |
Сечение шпонки |
Глубина паза |
Длина, l |
||
|
b |
h |
вала, t1 |
втулки, t2 |
||
|
Св. 12 до 17 |
5 |
5 |
3 |
2,3 |
10…56 |
|
« 17 » 22 |
6 |
6 |
3,5 |
2,8 |
14…70 |
|
« 22 » 30 |
8 |
7 |
4 |
3,3 |
18…90 |
|
« 30 » 38 |
10 |
8 |
5 |
3,3 |
22…110 |
|
« 38 » 44 |
12 |
8 |
5 |
3,3 |
28…140 |
|
« 44 » 50 |
14 |
9 |
5,5 |
3,8 |
36…160 |
|
« 50 » 58 |
16 |
10 |
6 |
4,3 |
45…180 |
|
« 58 » 65 |
18 |
11 |
7 |
4,4 |
50…200 |
|
« 65 » 75 |
20 |
12 |
7,5 |
4,9 |
56…220 |
|
« 75 » 85 |
22 |
14 |
9 |
5,4 |
63…250 |
|
« 85 » 95 |
25 |
14 |
9 |
5,4 |
70…280 |
|
Примечание: Длины призматических шпонок выбирают из
следующего ряда: 10, 12, 14, 16, 18, 22, 24, 26, 28, 30, 32, 34, 36, 38,
40, 45, 50, 56, 63, 70, 80, 90, 100, 110, 125, 140, 160, 180, 200, 220, 250. |
|||||
Таблица В4. Канавки для выхода шлифовального круга (по
ГОСТ 8820-69)
|
|
||||
|
Размеры в мм |
||||
|
d |
d1 |
r |
r1 |
b |
|
До 10 Св. 10 до 50 |
d – 0,5 |
0,5 1 |
0,3 0,5 |
2 3 |
|
Св. 50 до 100 Св. 100 |
d - 1 |
1,6 2,0 3,0 |
0,5 1 1 |
5 8 10 |
Таблица В5. Рекомендуемая шероховатость поверхности
|
Вид поверхности |
Ra, мкм |
|
Посадочные,
нетрущиеся поверхности изделий не выше 8-го квалитета (поверхности
под колеса, муфты и пр.) Свободные
несопрягаемые торцовые поверхности валов. Посадочные
поверхности валов под подшипники качения класса точности 0 при: d до d
св. Торцы
заплечиков валов для базирования подшипников качения класса точности 0 Торцы
заплечиков валов для базирования зубчатых, червячных колес при
отношении длины отверстия ступицы к его диаметру: l/d< 0,7 l/d
Поверхности
валов под резиновые манжеты Канавки,
фаски, радиусы галтелей Поверхности
шпоночных пазов на валах: рабочие нерабочие Рабочие
поверхности витков цилиндрических червяков: цилиндрических Поверхности
выступов зубьев колес, витков червяков, зубьев звездочек
цепных передач |
6,3;
3,2 1,25 2,5 2,5 1,6 3,2 0,6 6,3 3,2 6,3 6,3 3,2 |
email: KarimovI@rambler.ru
Адрес: Россия, 450071, г.Уфа, почтовый ящик 21
Теоретическая механика Сопротивление материалов
Прикладная механика Строительная механика Теория машин и механизмов